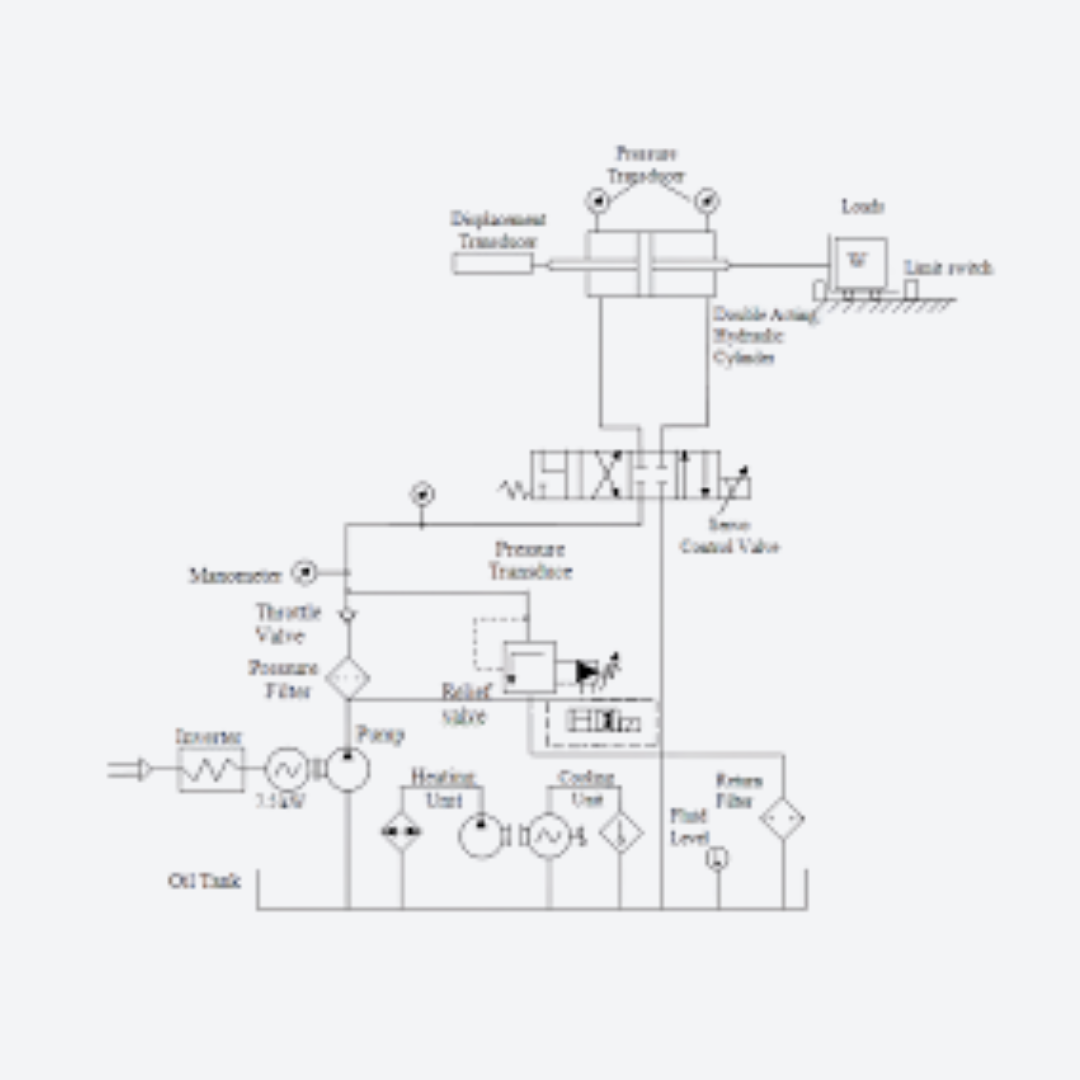
Hydraulic circuits
Hydraulic circuits
Optimized Fluid Power Solutions for Industrial Fixtures
At Genuine Engineering & Equipments, we design and manufacture advanced hydraulic circuits for precision machinery and fixture applications. Our circuits ensure reliable power transmission, smooth operation, and precise control of hydraulic fixtures in CNC, VMC, and SPM systems. Engineered for efficiency and durability, they improve performance, reduce downtime, and enhance overall productivity.
Key Features
- Reliable Power Transmission
- Seamless Integration
- Durable & Reliable
- Customizable & Versatile
Technical Specifications
| Parameter | Specification |
|---|---|
| Circuit Type | Hydraulic |
| Components | Pumps, Valves, Accumulators, Hoses |
| Pressure Range | Customizable per application |
| Flow Rate | Adjustable based on fixture needs |
| Control System | Manual / Semi-auto / Fully automatic |
| Safety Features | Overload protection, pressure relief valves |
| Inspection | CMM & Quality Verified |
| Standards | ISO Compliant |
| Lead Time | Based on design complexity |
How We Work
Our Hydraulic Circuit Development Process
Requirement Analysis
Study machine type, fixture specifications, and production needs.
Concept Design (CAD)
CAD modeling, simulation, and optimization for efficiency.
Precision Manufacturing
Assembly with high-quality hydraulic pumps, valves, and hoses.
Testing & Inspection
Validate pressure, flow, and leak-proof operation per ISO standards.
Installation & Trial
On-site integration, trial runs, operator training, and maintenance guidance.
Explore Our Related Products
Looking for Custom Hydraulic Circuits?
With 15+ years of expertise and 500+ successful fixture solutions, Genuine Engineering delivers high-performance hydraulic circuits that enhance efficiency, reliability, and precision in your industrial operations.